教学案例库

当前位置: 首页>>师范专业认证>>教学案例库>>正文
说课稿----人教版九年级《物 理》第十八章第四节
2024-06-20 09:41 江耀基    (浏览量:)

《焦耳定律》说课稿

江耀基

一、使用教材

人教版九年级《物 理》第十八章第四节

二、实验器材

电池、铅笔芯、火柴、教学电源、导线、滑动变阻器、塑料泡沫板

自制教具:电热锯、瓶灯、焦耳定律演示器

三、实验创新要求/改进要点

1.实验装置生活化:电池点燃火柴实验、电热锯实验、瓶灯实验中的器材大多数选用生活中的物品制作而成;2实验装置简约化:电热锯和瓶灯制作简单,操作简单,现象明显,即实验装置简约化;3.实验测量定量化:自制焦耳定律实验板均能粗略定量探究电热与电阻、电流的关系。

四、实验原理/实验设计思路

1.通过实验情景体验让学生体验电流的热效应的物理概念;

2.通过两个实验情境,让学生真实地体验电流产生的热量可能与 电阻、电流和通电时间有关;

3.将焦耳定律的定性探究变为定量探究,使实验结果更具有说服力。

五、实验教学目标

依据课程标准、教材内容和学情特点,我确定了以下的教学目标。

(一)知识与技能

1.知道电流的热效应

2.理解焦耳定律的内容、公式、单位及其应用

3. 知道电热的利用和防止

(二)过程与方法

1.通过探究“电流通过导体产生的热量与哪些因素有关”初步培养学生发现、研究、解决问题的能力。

2.通过教学培养学生运用焦耳定律解决一些简单实际问题的能力

3.通过实验,培养学生对科学研究方法(控制变量法)的应用。

(三)情感态度与价值观

1.通过经历科学探究过程,使学生认知到实验对人们获取科学理论的重要价值;

2.通过对所学的知识的应用,体会物理来源生活,服务于社会的理念;

3.通过对英国物理学家焦耳的了解,使学生感染其刻苦钻研精神和严谨的科学态度。

六、实验教学内容

本节课设置五个创新实验:电池点燃火柴、电热锯、瓶灯、探究电热与电阻的关系、探究电热与电流的关系。

七、实验教学过程

下面我主要针对“焦耳定律”演示实验进行改进。以下是我的实验内容创新设计:

实验一:电池能点燃火柴吗


该创新实验的优点在于:

1.创设实验情境,引入新课。

2.激发学生的学习欲望和学习兴趣。

3.辅助学生理解“电流热效应”物理概念。

4.提出“电流通过导体产生热跟哪些因素有关”的问题。

5.体现“从生活走向物理”的课程新理念。

实验二:电热锯实验

实验三:瓶灯实验

该创新实验的优点在于:

1.实验现象明显、直观,给学生提供一个真实情境体验。

2.通过对比实验,为指导学生进行科学、合理的猜想与假设提供依据。

3.实验器材可以重复使用,操作方便,取材方便。

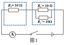
探究焦耳定律

教材上采用的实验如图所示,

1.探究电流产生的热量与电阻的关系    2.探究电流产生的热量与电流的关系

上述实验存在一些不足:

1.对装置盒的密封性要求较高,不适合重复实验,效果并不理想。

2.电流产生的热量需要经过两次转换,对学生的认知理解存在一定的思维障碍。

3.这个装置只能定性研究电热与电阻、电流的关系,不能定量研究。

实验四、探究电热与电阻的关系

结论在电流一定时,电流产生的热量与电阻成正比

实验五、探究电热与电流的关系

结论在电流一定时,电流产生的热量与电流的二次方成正比

该创新实验的优点在于:

1.实验现象快速,明显,可视性好。

2.电流产生的热量直接通过电子温度计显示,给学生搭建了一个思维台阶,降低了理解的难度。

3.把定性研究改为定量研究,为焦耳定律的得出做好铺垫。

4.将演示实验变学生分组实验。

5.有利于提高学生的科学探究能力和创新能力。

6.该器材可随时、重复实验,不需要重新调节。

八、实验效果评价

1.通过创设实验情境,既激发了学生的学习兴趣,同时又为学生作出科学、合理的猜想提供依据,体现了从生活走向物理的新理念。

2.通过改进创新实验,把定性研究改为定量研究,为焦耳定律的得出做好铺垫,改进后的实验,现象快速,明显,可视性好,同时也便于将演示实验变学生分组实验,有利于提高学生的科学探究能力和创新能力,大大提高实验教学效率。

3.实验器材受技术支持和散热温差的影响,只能做近似定量研究,不能做精确的定量研究。



关闭窗口